Startseite

CARLO GAVAZZI - GAVCA18CAF08PA CAP PROX PL M18 PNP NO+NC,CAB - CA18CAF08PA

KopierenKopieren

Melden Sie sich an, um Preise und Verfügbarkeit anzuzeigen

Haupteigenschaften

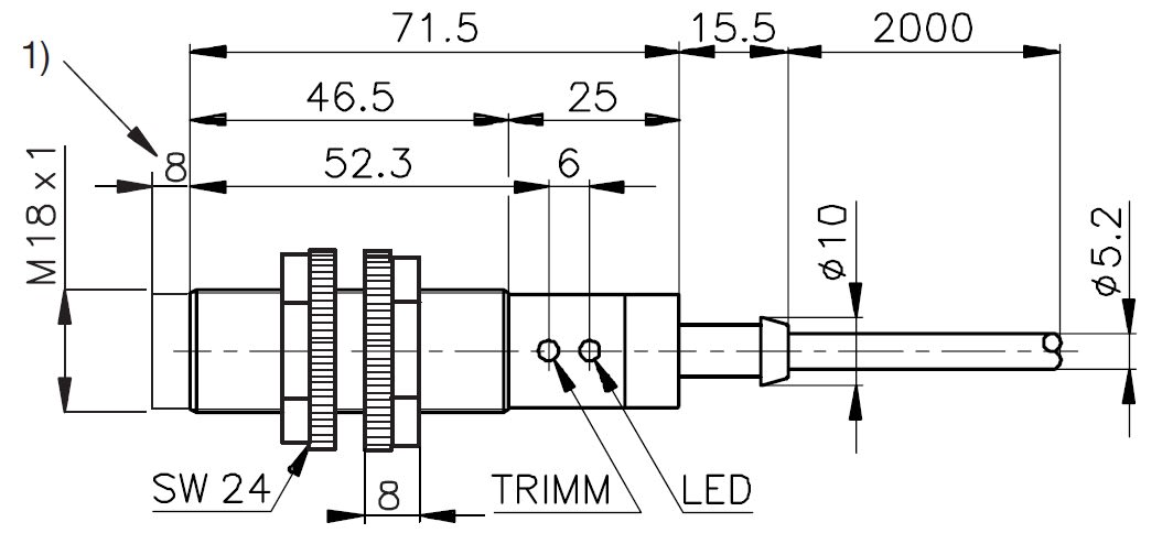
  • Mechanische Einbaubedingung für Sensor - bündig

  • Schaltabstand - 8 mm

  • Ausführung des elektrischen Anschlusses - Kabel

  • Ausführung der Schaltfunktion - antivalent

  • Ausführung des Schaltausgangs - PNP

Packung

  • 1 ST

EAN

8001021472908

Artikelnummer

GAVCA18CAF08PA

Herstellernummer

CA18CAF08PA

Hersteller

GAV

Mechanische Einbaubedingung für Sensor:

bündig

Schaltabstand:

8 mm

Ausführung des elektrischen Anschlusses:

Kabel

Ausführung der Schaltfunktion:

antivalent

Ausführung des Schaltausgangs:

PNP

Spannungsart:

DC

Werkstoff des Gehäuses:

Kunststoff

Durchmesser des Sensors:

18 mm

Gehäusebauform:

Zylinder, Gewinde

Explosionsschutz-Kategorie für Staub:

ohne

Versorgungsspannung:

10...40 V

Länge des Sensors:

87 mm

Art der Betätigung:

sonstige

Bemessungssteuerspeisespannung Us bei DC:

10...40 V

Explosionsschutz-Kategorie für Gas:

ohne

Max. Ausgangsstrom am sicheren Ausgang:

200 mA

Schaltfrequenz:

30 Hz

Sensore di prossimita capacitivo, marca MICRO SWITCHES S.R.L., modello GAVCA18CAF08PA - SENS. CAP. M18 TOT SCH PNP NO NC CAVO