CARLO GAVAZZI - GAVRM1A48A25 RELE STAT. MONOF.A PASS.DI ZERO - RM1A48A25

Melden Sie sich an, um Preise und Verfügbarkeit anzuzeigen
Haupteigenschaften
Bemessungsbetriebsstrom Ie bei AC-1 - 25 A
Anzahl der Phasen - 1
Geeignet für Reiheneinbau - ja
Packung
1 ST
EAN
8001024874334
Artikelnummer
GAVRM1A48A25
Herstellernummer
RM1A48A25
Hersteller
GAV
Bemessungsbetriebsstrom Ie bei AC-1:
25 A
Anzahl der Phasen:
1
Geeignet für Reiheneinbau:
ja
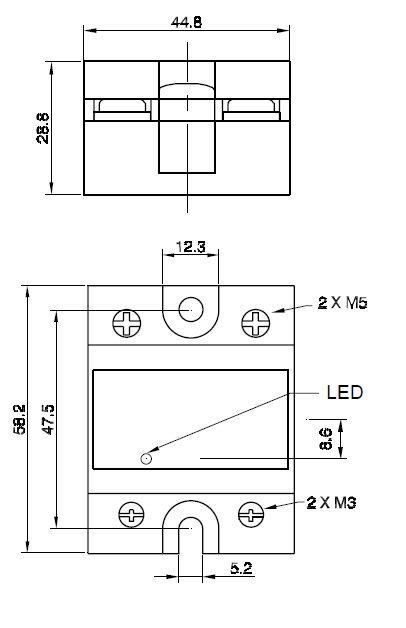
Relè a stato solido monofase, montaggio da retroquadro, indicazione a LED, protezione IP20, CA. Isolamento > 4000 Vrms. • Dimensioni (HxLxP): 58,2x44,8x28,8 mm • Varistore integrato.



