DATALOGIC - DTS95B063771 IS-30-H1-S2 NOT FLUSH PNP NO DOPPIA M12 - 95B063771

Melden Sie sich an, um Preise und Verfügbarkeit anzuzeigen
Haupteigenschaften
Tipo di installazione meccanica del sensore - Non a filo
Distanza di commutazione - 20 mm
Tipo di funzione di commutazione - Contatto NO
Tipo di custodia - Cilindro filettato
Tensione di alimentazione - 10...30 V
Packung
1 ST
EAN
8027893067196
Artikelnummer
DTS95B063771
Herstellernummer
95B063771
Hersteller
DTS
Tipo di installazione meccanica del sensore:
Non a filo
Distanza di commutazione:
20 mm
Tipo di funzione di commutazione:
Contatto NO
Tipo di custodia:
Cilindro filettato
Tensione di alimentazione:
10...30 V
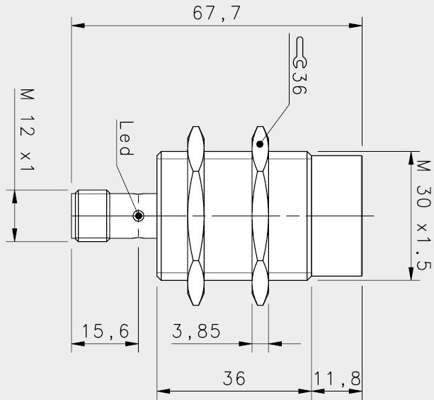
Lunghezza del sensore:
67.7 mm
Diametro del sensore:
30 mm
Tipo di uscita di commutazione:
PNP
Tipo di collegamento elettrico:
Connettore M12
Tipo di azionamento / funzionamento:
Bersaglio metallico
Rivestimento della custodia:
Nichelato
Max. corrente di uscita dell'uscita di sicurezza:
200 mA
Tipo di tensione:
DC
Frequenza di commutazione:
200 Hz
Materiale (del corpo):
Metallo



