Startseite

DEHN ITALIA S.P.A. - DEH907430 ÜS-Ableiter DEHNrapid - 907430

KopierenKopieren

Melden Sie sich an, um Preise und Verfügbarkeit anzuzeigen

Haupteigenschaften

  • Nennableitstoßstrom (8/20) - 10 kA

  • Höchste Dauerspannung AC - 127 V

  • Höchste Dauerspannung DC - 180 V

  • Blitzstoßstrom (10/350 µs) - 5 kA

  • Nennlaststrom - 0.1 A

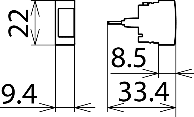
Packung

  • 1 ST

EAN

4013364107670

Artikelnummer

DEH907430

Herstellernummer

907430

Hersteller

DEH

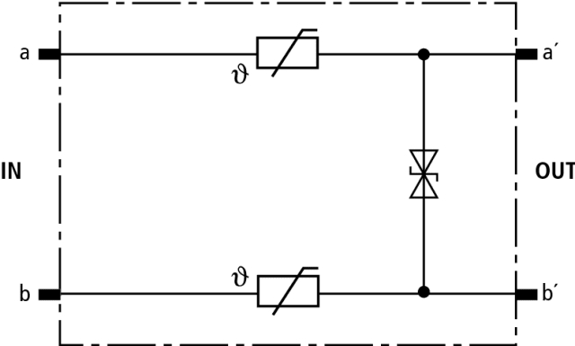
Nennableitstoßstrom (8/20):

10 kA

Höchste Dauerspannung AC:

127 V

Höchste Dauerspannung DC:

180 V

Blitzstoßstrom (10/350 µs):

5 kA

Nennlaststrom:

0.1 A

Schutzpegel Ader/Ader:

270 V

Grenzfrequenz:

61 MHz

Montageart:

LSA-Plus steckbar

Spina di protezione a un gradino per 1 coppia, coordinata energeticamente al blocco DRL. Livello di protezione filo-filo basso e protezione da sovracorrente per ADSL, ISDN Uk0 oppure fili analogici a/b. Montaggio con EF 10 DRL. Installazione consigliata solamente in abbinamento al blocco DRL.