Startseite

DEHN ITALIA S.P.A. - DEH952087 DEHNGUARD DG S 275 VA FM - 952087

KopierenKopieren
DEHN ITALIA S.P.A. - DEH952087 DEHNGUARD DG S 275 VA FM

Melden Sie sich an, um Preise und Verfügbarkeit anzuzeigen

Haupteigenschaften

  • Nennableitstoßstrom (8/20) - 10 kA

  • Anzahl der Leiter (ohne Erde) - 1

  • Schutzpegel - 1.5 kV

  • Montageart - Hutschiene TH35

  • Nennspannung AC - 230 V

Packung

  • 1 ST

EAN

4013364127326

Artikelnummer

DEH952087

Herstellernummer

952087

Hersteller

DEH

Nennableitstoßstrom (8/20):

10 kA

Anzahl der Leiter (ohne Erde):

1

Schutzpegel:

1.5 kV

Montageart:

Hutschiene TH35

Nennspannung AC:

230 V

Netzform TN-S:

ja

Netzform TT:

ja

Höchste Dauerspannung AC:

275 V

Netzform TN-C-S:

ja

Mit Fernmeldekontakt:

ja

Netzform TN:

ja

Baugröße:

1 TE

Netzform TN-C:

ja

Prüfklasse Typ 2:

ja

Kurzschlussfestigkeit (Isccr):

25 kA

Höchste Dauerspannung DC:

350 V

Max. Ableitstoßstrom (8/20):

20 kA

Signalisierung am Gerät:

optisch

Nennspannung DC:

350 V

Max. Leiterquerschnitt flexibel (feindrähtig):

225 mm²

Max. Leiterquerschnitt starr (ein-/mehrdrähtig):

35 mm²

Schutzart (IP):

IP20

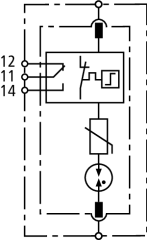
Limitatore di sovratensione unipolare, DEHNguard S VA, Tipo 2 secondo EN 61643-11, consiste in un elemento base e modulo di protezione innestabile, contenente un circuito di protezione di varistore e spinterometro in serie. Elevata sicurezza tramite dispositivo di controllo "Thermo- Dynamik-Control". Per la protezione da sovratensioni di impianti elettrici utilizzatori in bassa tensione. Per l'impiego nel concetto di protezione da fulminazione a zone, ai passaggi 0B – 1 e maggiori.