Startseite

ELCART DISTRIBUTION - ERT020007200 CA9PV10-220KA2020

KopierenKopieren

Melden Sie sich an, um Preise und Verfügbarkeit anzuzeigen

Packung

  • 50 ST

EAN

7449071771250

Artikelnummer

ERT020007200

Herstellernummer

020007200

Hersteller

ERT

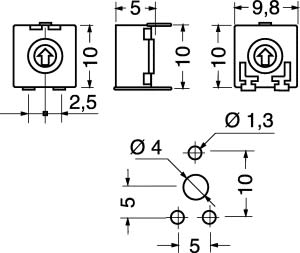
TRIMMER A STRATO DI CARBONE ACP 10x10 MONTAGGIO ORIZZONTALE REGOLAZIONE VERTICALE ROTORE CON TAGLIO PER CACCIAVITE. MAX POT. A 40°C:0,15 W. MAX TENS.:200 VCC. ANG. ROTAZIONE: 240° ± 5 °. TOLLERANZA:±20%. TEMP. LAV.:25°C ÷+70°C. CURVA:lineare. PASSO:5x10mm. CA9PV10-220KA2020.