ELCART DISTRIBUTION - ERT040756800 RT314024 RELE MODUL.1SC. 24VCC - 040756800

Melden Sie sich an, um Preise und Verfügbarkeit anzuzeigen
Packung
20 ST
EAN
7449074782901
Artikelnummer
ERT040756800
Herstellernummer
040756800
Hersteller
ERT
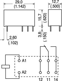
RELÉ DI POTENZA 1 CONTATTO C/O (IN SCAMBIO) 16A SERIE RT1. MONTAGGIO:C.S. e Zoccolo. PORTATA:16A. TENS.MAX CONT.:250V. TEMPO ECCITAZ.:7mS. TEMPO DISECCIT.:3mS. ISOLAMENTO:5KV. TEMP.LAV.:-40°÷+70°C. OPER.MECC.:30x106. ZOCCOLO DIN:4/8877. MOLLA:93/6953. Resistenza: 1440 OHM.



