Startseite

FINDER S.P.A. - FIN94842SMA ZOCCOLO CON MORSETTI BUSSOLA 4P S.55/85 - 94842SMA

KopierenKopieren

Melden Sie sich an, um Preise und Verfügbarkeit anzuzeigen

Haupteigenschaften

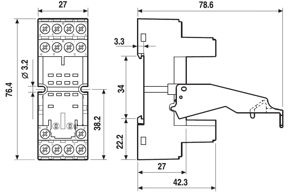
  • Ausführung des elektrischen Anschlusses - Schraubanschluss

  • Montageart - Hutschiene TH35

  • Anzahl der Pins - 14

  • Breite - 27 mm

  • Höhe - 76.4 mm

Packung

  • 10 ST

EAN

8012823313702

Artikelnummer

FIN94842SMA

Herstellernummer

94842SMA

Hersteller

FIN

Ausführung des elektrischen Anschlusses:

Schraubanschluss

Montageart:

Hutschiene TH35

Anzahl der Pins:

14

Breite:

27 mm

Höhe:

76.4 mm

Funktionale Ergänzung möglich:

nein

Mit abnehmbaren Klemmen:

nein

Tiefe:

77.1 mm

Zoccolo con morsetti a bussola Montaggio: barra cieca 35 mm (A): 10 Grado di protezione: IP 20 Accessori: Ponticello metallico o plastico;moduli di segnalazione e protezione EMC;pettine 6 poli