LOVATO - LOVDM2T0150 TRASF. AMP. 150/5A D23MM PRIM. PASSANTE - DM2T0150

Melden Sie sich an, um Preise und Verfügbarkeit anzuzeigen
Haupteigenschaften
Ausführung - Durchsteckstromwandler
Primärer Bemessungsstrom In - 150 A
Sekundärer Bemessungsstrom - 5 A
Sekundäre Bemessungsscheinleistung - 1.5 VA
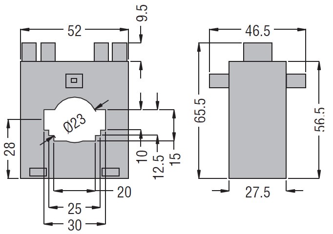
Öffnungsdurchmesser - 23 mm
Packung
1 ST
EAN
8013975121795
Artikelnummer
LOVDM2T0150
Herstellernummer
DM2T0150
Hersteller
LOV
Ausführung:
Durchsteckstromwandler
Primärer Bemessungsstrom In:
150 A
Sekundärer Bemessungsstrom:
5 A
Sekundäre Bemessungsscheinleistung:
1.5 VA
Öffnungsdurchmesser:
23 mm
Trasformatore di corrente tipo passante, per cavo Ø 23 mm e barre da 30x10 mm, 25x12,5 mm, 20x15 mm. I trasformatori di corrente serie DM vengono montati in un sistema elettrico per ridurre la corrente di linea ad un valore secondario di 5A compatibile con gli ingressi amperometrici dei multimetri digitali o dei relè di protezione. Sono trasformatori di corrente senza avvolgimento primario e vengono normalmente utilizzati per alti valori di corrente primaria. Il numero di passaggi del cavo primario non modifica le caratteristiche di precisione, ma riduce il valore della corrente primaria a parità di corrente secondaria.



