LOVATO - LOVDM35T0800 TRASF. AMP. 800/5A D66MM PRIM. PASSANTE - DM35T0800

Melden Sie sich an, um Preise und Verfügbarkeit anzuzeigen
Haupteigenschaften
Ausführung - Schutzstromwandler
Primärer Bemessungsstrom In - 800 A
Sekundärer Bemessungsstrom - 5 A
Sekundäre Bemessungsscheinleistung - 10 VA
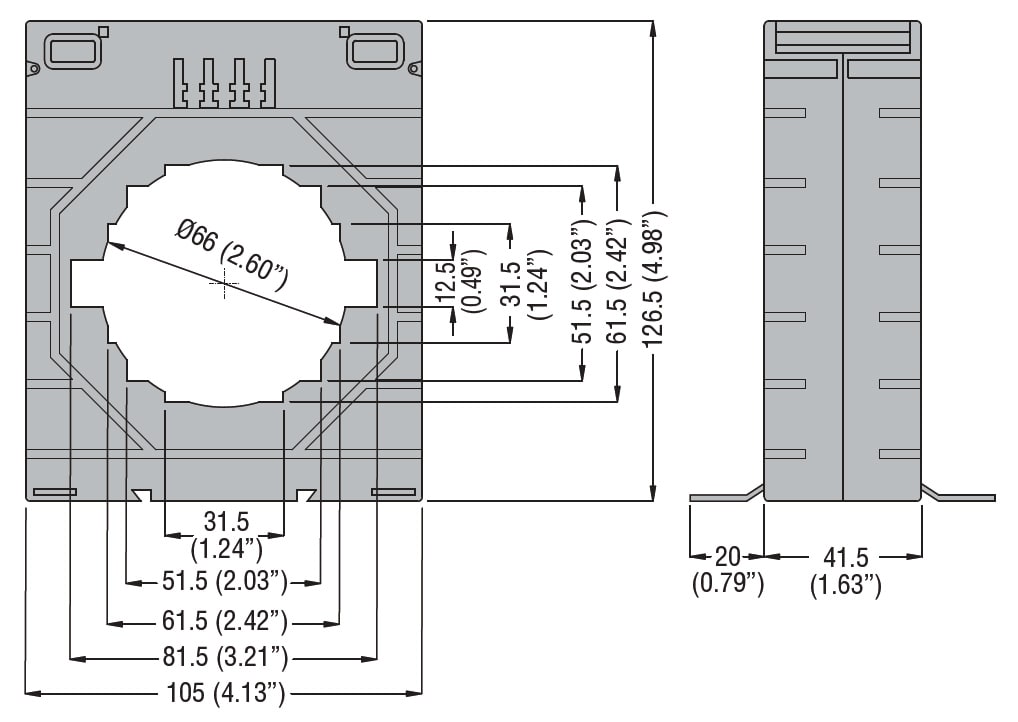
Öffnungsdurchmesser - 66 mm
Packung
1 ST
EAN
8013975218853
Artikelnummer
LOVDM35T0800
Herstellernummer
DM35T0800
Hersteller
LOV
Ausführung:
Schutzstromwandler
Primärer Bemessungsstrom In:
800 A
Sekundärer Bemessungsstrom:
5 A
Sekundäre Bemessungsscheinleistung:
10 VA
Öffnungsdurchmesser:
66 mm
Geeicht:
nein
Schnappbefestigung:
ja
Überstrombegrenzungsfaktor:
FS 5
Mit Berührungsschutz:
nein
Sekundärer Anschluss:
Schraubanschluss
Mit Kupferschiene:
ja
Anzahl der Primäreingänge:
1



