OMRON - OMRD4BLK2-134706000 SICUREZZA- FINEC. ACCESS.CHIAVE D4BL VER - D4BLK2-134706000

Melden Sie sich an, um Preise und Verfügbarkeit anzuzeigen
Haupteigenschaften
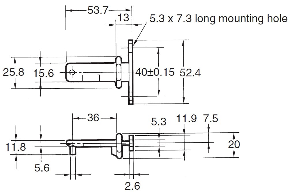
Ausführung - Betätiger mit vertikaler Befestigung
Packung
10 ST
EAN
4536853204419
Artikelnummer
OMRD4BLK2-134706000
Herstellernummer
D4BLK2-134706000
Hersteller
OMR
Ausführung:
Betätiger mit vertikaler Befestigung
Chiave di azionamento per montaggio verticale per D4BL



