OMRON - OMRD4BSK1-134587000 SICUREZZA- FINEC. ACCESS CHIAVE D4BS ORI - D4BSK1-134587000

Melden Sie sich an, um Preise und Verfügbarkeit anzuzeigen
Haupteigenschaften
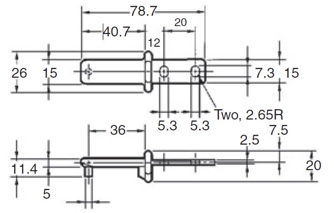
Ausführung - Betätiger mit horizontaler Befestigung
Packung
1 ST
EAN
4536853207533
Artikelnummer
OMRD4BSK1-134587000
Herstellernummer
D4BSK1-134587000
Hersteller
OMR
Ausführung:
Betätiger mit horizontaler Befestigung
Chiave di azionamento per montaggio orizzontale per D4BS



