OMRON - OMRD4NS4AF-16257800 SICUREZZA- FINEC. CHIAVE 1NC+1NA LENTO M - D4NS4AF-16257800

Melden Sie sich an, um Preise und Verfügbarkeit anzuzeigen
Haupteigenschaften
Anzahl der Kontakte als Öffner - 1
Anzahl der Kontakte als Schließer - 1
Ausführung des Schaltglieds - Schleichschaltglied
Ausführung der Schnittstelle - ohne
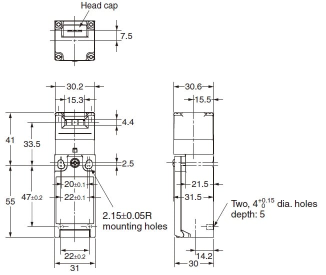
Gehäusebauform - Quader
Packung
1 ST
Produktserien
EAN
4536854963667
Artikelnummer
OMRD4NS4AF-16257800
Herstellernummer
D4NS4AF-16257800
Hersteller
OMR
Anzahl der Kontakte als Öffner:
1
Anzahl der Kontakte als Schließer:
1
Ausführung des Schaltglieds:
Schleichschaltglied
Ausführung der Schnittstelle:
ohne
Gehäusebauform:
Quader
Mit Statusanzeige:
nein
Geeignet für Sicherheitsfunktionen:
ja
Breite des Sensors:
31 mm
Höhe des Sensors:
30 mm
Länge des Sensors:
96 mm
Zwangsöffnung:
nein
Anzahl der sicherheitsgerichteten Hilfskontakte:
0
Anzahl der Kontakte als Wechsler:
0
Ausführung der Schnittstelle für sicherheitsgerichtete Kommunikation:
ohne
Bemessungsbetriebsstrom Ie bei AC-15, 230 V:
3 A
Bemessungsbetriebsstrom Ie bei DC-13, 230 V:
0.27 A
Werkstoff des Gehäuses:
sonstige
Beschichtung Gehäuse:
sonstige
Ausführung des elektrischen Anschlusses:
Kabeleinführung (metrisch)
Explosionsschutz-Kategorie für Gas:
ohne
Explosionsschutz-Kategorie für Staub:
ohne
Umgebungstemperatur während des Betriebs:
-30...70 °C
Schutzart (IP):
IP67
Schutzart (NEMA):
sonstige




