PHOENIX CONTACT - PHC2320461 QUINT-UPS/ 24DC/12DC/5/24DC/10 ALIMENTAT

Melden Sie sich an, um Preise und Verfügbarkeit anzuzeigen
Packung
1 ST
EAN
4046356731515
Artikelnummer
PHC2320461
Herstellernummer
2320461
Hersteller
PHC
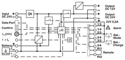
Optimale Nutzung der Pufferzeit und präventive Überwachung des Energiespeichers. Batterieschnellladung. Umfangreiche Signalisierung und Parametrierung. Schnelles Auslösen von Standard-Leitungsschutzschaltern mit SFB Technology (Selective Fuse Breaking Technology). Zuverlässiges Starten schwieriger Lasten mit der statischen Leistungsreserve POWER BOOST mit bis zu 1,5-fachem Nennstrom dauerhaft. Ein UPS-Modul - zwei Spannungen. Maximale Flexibilität durch dualen Ausgang.



