PHOENIX CONTACT - PHC2702764 GW MODBUS TCP/RTU 1E/1DB9 CONVERT. SERIA - 2702764

Melden Sie sich an, um Preise und Verfügbarkeit anzuzeigen
Packung
1 ST
EAN
4055626339313
Artikelnummer
PHC2702764
Herstellernummer
2702764
Hersteller
PHC
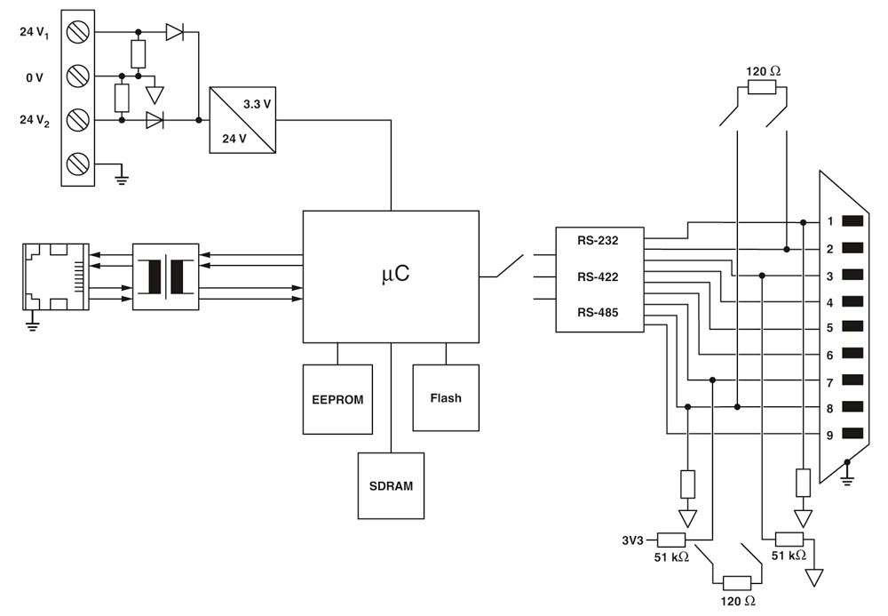
Das GW MODBUS TCP/RTU-Gateway konvertiert serielle Modbus RTU- oder ASCII-Daten zu Modbus TCP. Unterstützt serielle Master- oder Slave-Geräte. Umfasst einen RJ45-Anschluss und einen D-SUB-9-Anschluss.



