PIZZATO ELETTRICA S. - PZZFP 1635 INTERRUTTORE DI POSIZIONE A LEVA GIREVOL

Melden Sie sich an, um Preise und Verfügbarkeit anzuzeigen
Haupteigenschaften
- Ausführung des Betätigungselements - Schwenkhebel verstellbar 
- Werkstoff des Gehäuses - Kunststoff 
- Schutzart (IP) - IP67 
- Ausführung des elektrischen Anschlusses - Kabeleinführung PG 
- Schaltfunktion - Schleichschaltglied 
Packung
- 1 ST 
EAN
8018851027017
Artikelnummer
PZZFP 1635
Herstellernummer
FP 1635
Hersteller
PZZ
Ausführung des Betätigungselements:
Schwenkhebel verstellbar
Werkstoff des Gehäuses:
Kunststoff
Schutzart (IP):
IP67
Ausführung des elektrischen Anschlusses:
Kabeleinführung PG
Schaltfunktion:
Schleichschaltglied
Anzahl der Kontakte als Öffner:
2
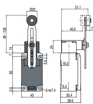
Breite des Sensors:
40 mm
Anzahl der Kontakte als Schließer:
0
Länge des Sensors:
180.9 mm
Anzahl der Kontakte als Wechsler:
0
Zwangsöffnung:
ja
Höhe des Sensors:
38.6 mm
Gehäusebauform:
Quader
Bemessungsbetriebsstrom Ie bei AC-15, 230 V:
6 A
Bemessungsbetriebsstrom Ie bei DC-13, 24 V:
6 A
Bemessungsbetriebsstrom Ie bei DC-13, 125 V:
1.1 A
Bemessungsbetriebsstrom Ie bei DC-13, 230 V:
0.4 A
Umgebungstemperatur während des Betriebs:
-25...80 °C



