PIZZATO ELETTRICA S. - PZZFP 535-M2 INTERRUTTORE DI POSIZIONE A LEVA GIREVOL - FP 535-M2

Melden Sie sich an, um Preise und Verfügbarkeit anzuzeigen
Haupteigenschaften
Ausführung des Betätigungselements - Schwenkhebel verstellbar
Werkstoff des Gehäuses - Kunststoff
Schutzart (IP) - IP67
Ausführung des elektrischen Anschlusses - Kabeleinführung (metrisch)
Schaltfunktion - Sprungschaltglied
Packung
1 ST
EAN
8018851092916
Artikelnummer
PZZFP 535-M2
Herstellernummer
FP 535-M2
Hersteller
PZZ
Ausführung des Betätigungselements:
Schwenkhebel verstellbar
Werkstoff des Gehäuses:
Kunststoff
Schutzart (IP):
IP67
Ausführung des elektrischen Anschlusses:
Kabeleinführung (metrisch)
Schaltfunktion:
Sprungschaltglied
Anzahl der Kontakte als Öffner:
1
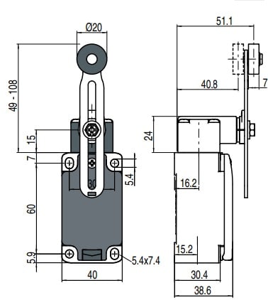
Breite des Sensors:
40 mm
Anzahl der Kontakte als Schließer:
1
Länge des Sensors:
180.9 mm
Anzahl der Kontakte als Wechsler:
0
Zwangsöffnung:
ja
Höhe des Sensors:
38.6 mm
Gehäusebauform:
Quader
Bemessungsbetriebsstrom Ie bei AC-15, 230 V:
6 A
Bemessungsbetriebsstrom Ie bei DC-13, 24 V:
6 A
Bemessungsbetriebsstrom Ie bei DC-13, 125 V:
1.1 A
Bemessungsbetriebsstrom Ie bei DC-13, 230 V:
0.4 A
Umgebungstemperatur während des Betriebs:
-25...80 °C



