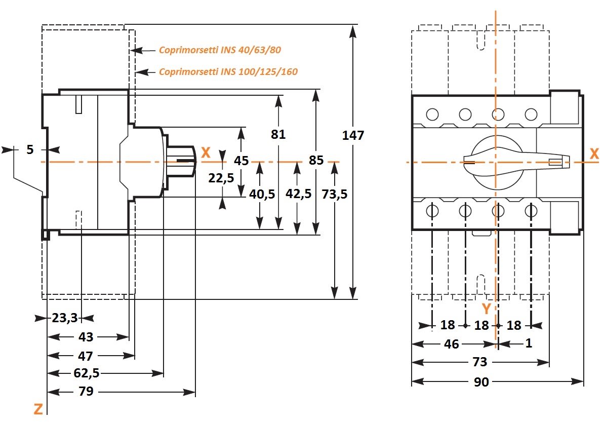
SCHNEIDER ELECTRIC - SNR28905 INS80 4P MANOPOLA NERA - 28905

Melden Sie sich an, um Preise und Verfügbarkeit anzuzeigen
Haupteigenschaften
Gerätebauart - Einbaugerät Festeinbautechnik
Bemessungsdauerstrom Iu - 80 A
Polzahl - 4
Ausführung als Hauptschalter - ja
Farbe des Betätigungselements - schwarz
Packung
1 ST
Produktserien
Compact INS
Alle Produkte dieser Serie ansehenEAN
3303430289050
Artikelnummer
SNR28905
Herstellernummer
28905
Hersteller
SNR
Gerätebauart:
Einbaugerät Festeinbautechnik
Bemessungsdauerstrom Iu:
80 A
Polzahl:
4
Ausführung als Hauptschalter:
ja
Farbe des Betätigungselements:
schwarz
Ausführung als Wartungs-/Reparaturschalter:
ja
Ausführung als NOT-AUS-Einrichtung:
nein
Ausführung des Betätigungselements:
langer Drehgriff
Ausführung als Sicherheitsschalter:
nein
Bemessungsbetriebsspannung:
500...500 V
Verriegelbar:
ja
Ausführung als Wendeschalter:
nein
Geeignet für Bodenbefestigung:
ja
Anzahl der Hilfskontakte als Schließer:
0
Geeignet für Verteilereinbau:
ja
Schutzart (IP), frontseitig:
IP40
Geeignet für Frontbefestigung Zentral:
ja
Geeignet für Frontbefestigung 4-Loch:
ja
Anzahl der Schalter:
1
Anzahl der Hilfskontakte als Öffner:
0
Bemessungsdauerstrom bei AC-23, 400 V:
72 A
Max. Bemessungsbetriebsspannung Ue bei AC:
500 V
Geeignet für Zwischenbau:
nein
Spannungsauslöser optional:
nein
Bedingter Bemessungskurzschlussstrom Iq:
36 kA
Motorantrieb optional:
nein
Bemessungskurzzeitstromfestigkeit Icw:
3 kA
Anschlussart Hauptstromkreis:
Schraubanschluss
Anzahl der Hilfskontakte als Wechsler:
2
Bemessungsbetriebsleistung bei AC-23, 400 V:
37 kW
Motorantrieb integriert:
nein



