Startseite

SCHNEIDER ELECTRIC - SNR31134 INS630 FISSO ANT 3P MAN ROSSA

KopierenKopieren

Melden Sie sich an, um Preise und Verfügbarkeit anzuzeigen

Haupteigenschaften

  • Bemessungsdauerstrom Iu - 630 A

  • Polzahl - 3

  • Ausführung des Betätigungselements - langer Drehgriff

  • Ausführung als Sicherheitsschalter - ja

  • Geeignet für Bodenbefestigung - ja

Packung

  • 1 ST

Produktserien

EAN

3303430311348

Artikelnummer

SNR31134

Herstellernummer

31134

Hersteller

SNR

Bemessungsdauerstrom Iu:

630 A

Polzahl:

3

Ausführung des Betätigungselements:

langer Drehgriff

Ausführung als Sicherheitsschalter:

ja

Geeignet für Bodenbefestigung:

ja

Geeignet für Verteilereinbau:

nein

Schutzart (IP), frontseitig:

IP40

Max. Bemessungsbetriebsspannung Ue bei AC:

690 V

Anschlussart Hauptstromkreis:

Schraubanschluss

Bemessungsbetriebsleistung bei AC-23, 400 V:

315 kW

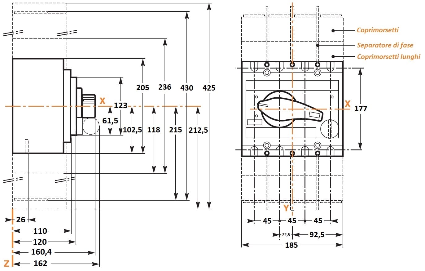
Compact INS630 è un interruttore-sezionatore non automatico a 3 poli con maniglia rotativa rossa e lato frontale giallo. È adatto all'isolamento con sezionamento visualizzato, come definito dalle norme IEC 60947-1 e IEC60947-3. La corrente di funzionamento è 630A a 415VAC nelle categorie AC22A e AC23A. La tensione nominale è 690VAC 50/60Hz o 250VDC. Può essere utilizzato come dispositivo di spegnimento di emergenza. Per una facile identificazione, utilizza colori speciali stabiliti dalle norme. La maniglia rotativa rossa è progettata per offrire un'ottima manovrabilità e prestazioni elevate in caso di interruzione delle correnti. Compact INS630 è un dispositivo con isolamento frontale in classe II in conformità con la norma IEC 60664.