Startseite

SCHNEIDER ELECTRIC - SNRXCSC801 INTERRUTTORE DI SICUREZZA - XCSC801

KopierenKopieren

Melden Sie sich an, um Preise und Verfügbarkeit anzuzeigen

Haupteigenschaften

  • Mit Statusanzeige - nein

  • Geeignet für Sicherheitsfunktionen - ja

  • Zuhaltekraft - 1500 N

  • Mit Fluchtentriegelung - nein

  • Art der Zuhaltung - Ruhestromprinzip

Packung

  • 1 ST

EAN

3389110719123

Artikelnummer

SNRXCSC801

Herstellernummer

XCSC801

Hersteller

SNR

Mit Statusanzeige:

nein

Geeignet für Sicherheitsfunktionen:

ja

Zuhaltekraft:

1500 N

Mit Fluchtentriegelung:

nein

Art der Zuhaltung:

Ruhestromprinzip

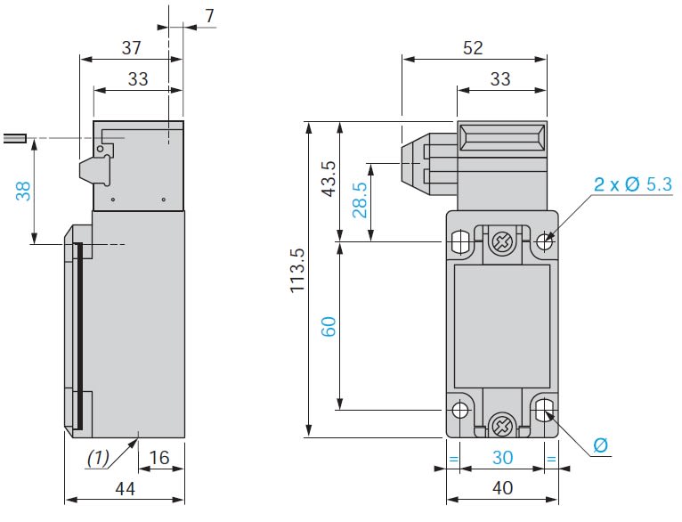
Höhe des Sensors:

113.5 mm

Länge des Sensors:

44 mm

Anzahl der sicherheitsgerichteten Hilfskontakte:

0

Anzahl der Kontakte als Öffner:

3

Anzahl der Kontakte als Schließer:

0

Anzahl der Kontakte als Wechsler:

0

Ausführung des Schaltglieds:

Schleichschaltglied

Bemessungsbetriebsstrom Ie bei AC-15, 125 V:

6 A

Bemessungsbetriebsstrom Ie bei AC-15, 230 V:

3 A

Bemessungsbetriebsstrom Ie bei DC-13, 125 V:

0.55 A

Bemessungsbetriebsstrom Ie bei DC-13, 230 V:

0.27 A

Werkstoff des Gehäuses:

Metall

Beschichtung Gehäuse:

lackiert

Ausführung des elektrischen Anschlusses:

Kabeleinführung PG

Explosionsschutz-Kategorie für Gas:

ohne

Explosionsschutz-Kategorie für Staub:

ohne

Umgebungstemperatur während des Betriebs:

-25...70 °C

Schutzart (IP):

IP67

Int. sic. metallo XCSC, 3 NC, Int. lenta, 1 ing. fil. Pg 13,5. gamma prodotto: rilevamento di sicurezza Preventa - nome componente: XCSC - tipo di testa: torretta azionata mediante chiave - tipo e composizione contatti: 3 NC - diametro esterno cavo: 9...12 mm - descrizione opzioni bloccaggio: con blocco dell'attuatore, sbloccaggio tramite blocco azionato a chiave. Benefici: .. Applicazioni: .. Benefici: Una delle gamme più complete di interruttori di sicurezza industriali disponibili sul mercato. Risparmio di tempo grazie all'installazione di un innovativo sistema magnetico codificato nella centralina. Aumento della produttività grazie al terzo contatto dedicato alla diagnostica.... Applicazioni: Tutte le macchine pericolose di qualsiasi settore sono interessate dal problema della sicurezza: applicazioni di confezionamento, movimentazione, robotica, macchine utensili, presse, settore automobilistico....