CROUZET - CRO84870700 CONTROL RELAY C-LYNX HNM 24-240 V AC/DC - 84870700

Accedi per visualizzare prezzi e disponibilità
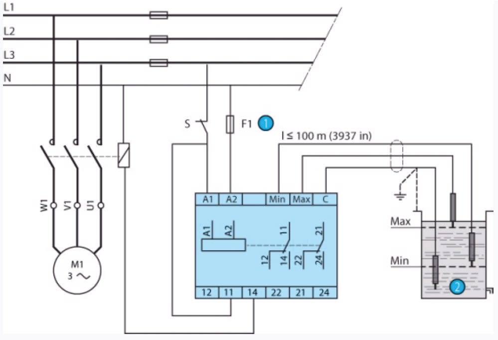
Caratteristiche principali
Tipo di tensione di alimentazione - AC / DC
Principio fisico di misura - Conduttivo
Numero di ingressi per elettrodi - 3
Tipo di collegamento elettrico - Connessione a vite
Max. tempo di ritardo - 5 s
Confezione
1 PZ
EAN
3593150022482
Codice prodotto
CRO84870700
Cod. produttore
84870700
Produttore
CRO
Tipo di tensione di alimentazione:
AC / DC
Principio fisico di misura:
Conduttivo
Numero di ingressi per elettrodi:
3
Tipo di collegamento elettrico:
Connessione a vite
Max. tempo di ritardo:
5 s
Sensibilità regolabile:
sì
Con morsetti estraibili:
no
Min. tempo di ritardo:
0.1 s
Tensione di alimentazione in corrente alternata (AC) 50 Hz:
24...240 V
Numero di contatti di scambio:
2
Tensione di alimentazione in corrente continua (DC):
24...240 V
Numero di contatti NC:
0
Numero di contatti NO:
0
Larghezza:
35 mm
Altezza:
90 mm
Profondità:
60 mm
Tensione di alimentazione in corrente alternata (AC) 60 Hz:
24...240 V




