AMBIENTE DI TEST / TEST ENVIROMENT

pagina iniziale

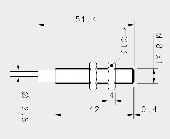
DATALOGIC - DTS95B061061 IS-08-A3-03 FLUSH NPN NO 2MT - 95B061061

copiacopia

Accedi per visualizzare prezzi e disponibilità

Caratteristiche principali

  • Tipo di installazione meccanica del sensore - A filo

  • Distanza di commutazione - 1.5 mm

  • Tipo di funzione di commutazione - Contatto NO

  • Tipo di custodia - Cilindro filettato

  • Tensione di alimentazione - 10...30 V

Confezione

  • 1 PZ

EAN

8027893069527

Codice prodotto

DTS95B061061

Cod. produttore

95B061061

Produttore

DTS

Tipo di installazione meccanica del sensore:

A filo

Distanza di commutazione:

1.5 mm

Tipo di funzione di commutazione:

Contatto NO

Tipo di custodia:

Cilindro filettato

Tensione di alimentazione:

10...30 V

Lunghezza del sensore:

51.4 mm

Diametro del sensore:

8 mm

Tipo di uscita di commutazione:

NPN

Tipo di collegamento elettrico:

Cavo

Tipo di azionamento / funzionamento:

Bersaglio metallico

Rivestimento della custodia:

Nichelato

Max. corrente di uscita dell'uscita di sicurezza:

200 mA

Tipo di tensione:

DC

Frequenza di commutazione:

1000 Hz

Materiale (del corpo):

Metallo