AMBIENTE DI TEST / TEST ENVIROMENT

pagina iniziale

DEHN ITALIA S.P.A. - DEH909703 DEHNGATE DGA FF TV - 909703

copiacopia

Accedi per visualizzare prezzi e disponibilità

Caratteristiche principali

  • C2 Corrente impulsiva nominale di scarica (8/20) - 1.5 kA

  • Tensione massima continuativa DC - 24 V

  • Corrente impulsiva di fulmine (10/350) - 0.2 kA

  • Corrente nominale di carico - 2 A

  • Livello di protezione filo-terra - 300 V

Confezione

  • 1 PZ

EAN

4013364085664

Codice prodotto

DEH909703

Cod. produttore

909703

Produttore

DEH

C2 Corrente impulsiva nominale di scarica (8/20):

1.5 kA

Tensione massima continuativa DC:

24 V

Corrente impulsiva di fulmine (10/350):

0.2 kA

Corrente nominale di carico:

2 A

Livello di protezione filo-terra:

300 V

Livello di protezione Up (filo-terra):

300 V

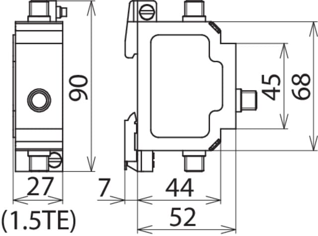
Metodo di montaggio:

Guida DIN 35mm

Collegamento 1:

Connettore F

Versione antideflagrante:

no

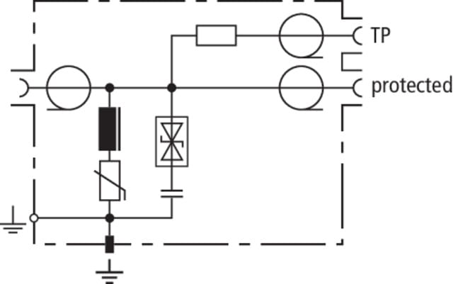
Adatti per alimentazioni remote con connettori "F"per impianti satellitari ed a banda larga a 75 Ohm. Gli scaricatori sono conformi alle richieste per la schermatura in classe A secondo EN 50 083-2. Adatti per l'installazione con risparmio di spazio nelle più comuni applicazioni TV e SAT. Con integrata presa per misure per le prove nell'impianto.