ELCART DISTRIBUTION - ERT020105800 POTEN. 0,25W LIN S.I. 6MM 1 KOHM - 020105800

Accedi per visualizzare prezzi e disponibilità
Confezione
10 PZ
EAN
7449072488577
Codice prodotto
ERT020105800
Cod. produttore
020105800
Produttore
ERT
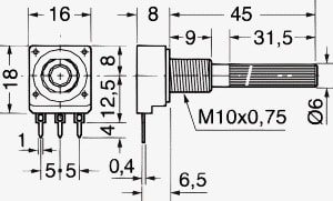
POTENZIOMETRI A STRATO Dl CARBONE A VARIAZIONE LINEARE. Completamente isolati senza interruttore. Terminali per C.S. albero in adixiteØ 6 mm. Montaggio orizzontalePOTENZA A 40°C:0,25 W. TOLLERANZA:20% fino a 470K. 30% da 1,0M a 2,2M. TEMP. LAV.:-25°C÷+70°C. ANG. MECC.:300°±5°. MANOP.:15/1000 - 15/7000. Resistenza: 1 KOHM.



