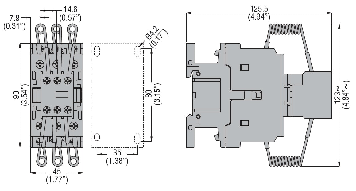
LOVATO - LOVBFK3200A048 CONTATTORE X RIFAS. 25KVAR 48V 50/60HZ - BFK3200A048

Accedi per visualizzare prezzi e disponibilità
Caratteristiche principali
Potenza reattiva nominale 400 V, 50 Hz - 25 kvar
Confezione
10 PZ
EAN
8013975163504
Codice prodotto
LOVBFK3200A048
Cod. produttore
BFK3200A048
Produttore
LOV
Potenza reattiva nominale 400 V, 50 Hz:
25 kvar
CONTATTORE PER RIFASAMENTO CON CIRCUITO DI COMANDO IN AC, TIPO BFK (RESISTENZE LIMITATRICI COMPRESE), POTENZA MASSIMA DI IMPIEGO 400V = 25KVAR, 48VAC 50/60HZ



