LOVATO - LOVDM5TP1000 TRASF. AMP. 1000/5A D86MM PRIM. PASSANTE - DM5TP1000
Accedi per visualizzare prezzi e disponibilità
Caratteristiche principali
Modello - Trasformatore di corrente per protezione
Corrente nominale primaria In - 1000 A
Corrente nominale secondaria - 5 A
Potenza nominale secondaria (apparente) - 5 VA
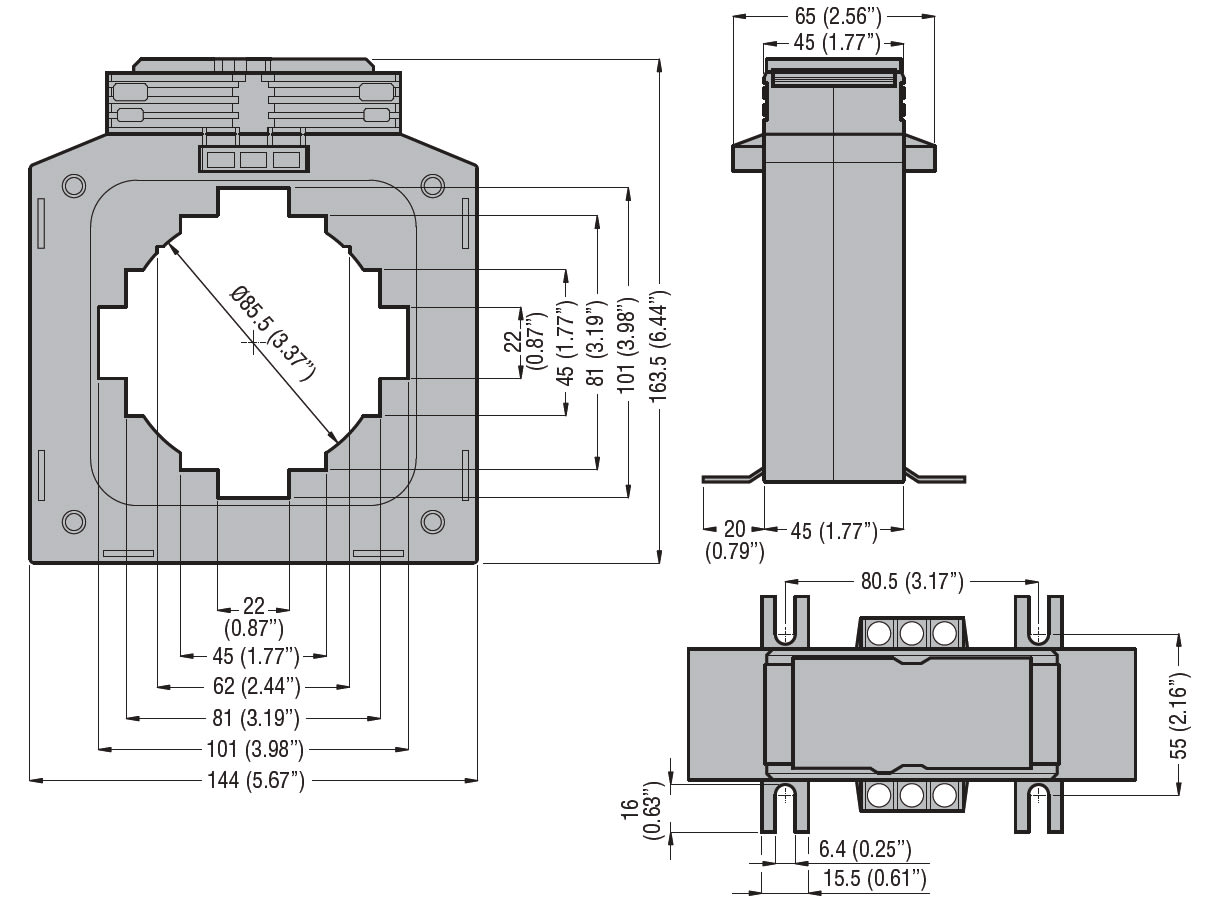
Diametro dell'apertura - 66 mm
Confezione
1 PZ
EAN
8013975218945
Codice prodotto
LOVDM5TP1000
Cod. produttore
DM5TP1000
Produttore
LOV
Modello:
Trasformatore di corrente per protezione
Corrente nominale primaria In:
1000 A
Corrente nominale secondaria:
5 A
Potenza nominale secondaria (apparente):
5 VA
Diametro dell'apertura:
66 mm
Calibrato:
no
Fissaggio a scatto:
sì
Fattore di limitazione della sovracorrente:
FS 5
Con protezione contro i contatti accidentali:
no
Attacco secondario:
Connessione a vite
Con guida di rame:
sì
Numero di ingressi al primario:
1



