AMBIENTE DI TEST / TEST ENVIROMENT

pagina iniziale

OMRON - OMRD4NS1CF-16228100 SICUREZZA- FINEC. CHIAVE 2NC+1NA LENTO P - D4NS1CF-16228100

copiacopia

Accedi per visualizzare prezzi e disponibilità

Caratteristiche principali

  • Numero di contatti NC - 2

  • Numero di contatti NO - 1

  • Tipo di contatto - Contatto ad azione lenta

  • Tipo di interfaccia - Nessuno

  • Tipo di custodia - Parallelepipedo

Confezione

  • 1 PZ

EAN

4536854963728

Codice prodotto

OMRD4NS1CF-16228100

Cod. produttore

D4NS1CF-16228100

Produttore

OMR

Numero di contatti NC:

2

Numero di contatti NO:

1

Tipo di contatto:

Contatto ad azione lenta

Tipo di interfaccia:

Nessuno

Tipo di custodia:

Parallelepipedo

Con indicatore di stato:

no

Adatto per funzioni di sicurezza:

Larghezza del sensore:

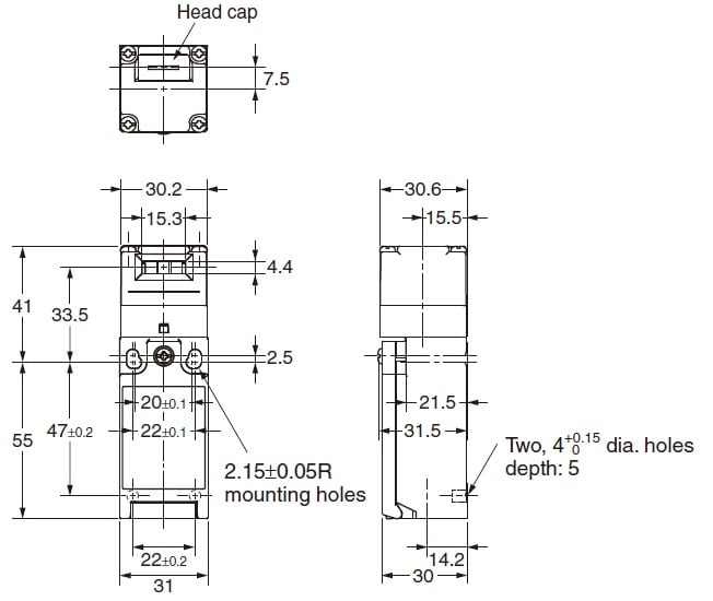
31 mm

Altezza del sensore:

30 mm

Lunghezza del sensore:

96 mm

Apertura positiva:

no

Numero di contatti ausiliari di sicurezza:

0

Numero di contatti di scambio:

0

Tipo di interfaccia per comunicazione di sicurezza:

Nessuno

Corrente nominale di impiego Ie in AC-15, 230V:

3 A

Corrente nominale di impiego Ie in DC-13, 230V:

0.27 A

Materiale (del corpo):

Altri

Rivestimento della custodia:

Altri

Tipo di collegamento elettrico:

Ingresso cavi PG

Categoria ATEX atmosfera gas:

Nessuno

Categoria ATEX atmosfera polvere:

Nessuno

Temperatura ambiente durante il funzionamento:

-30...70 °C

Grado di protezione (IP):

IP67

Tipo di protezione (NEMA):

Altri

Finecorsa a chiave, passacavo PG13.5, 2NC + 1NA ad azione lenta, IP67