AMBIENTE DI TEST / TEST ENVIROMENT

pagina iniziale

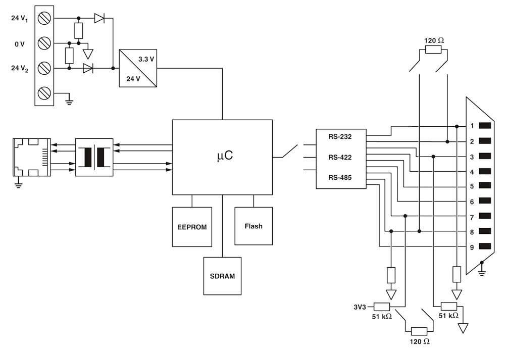
PHOENIX CONTACT - PHC2702763 GW DEVICE SERVER 2E/4DB9 CONVERT. SERIAL - 2702763

copiacopia

Accedi per visualizzare prezzi e disponibilità

Confezione

  • 1 PZ

EAN

4055626339184

Codice prodotto

PHC2702763

Cod. produttore

2702763

Produttore

PHC

Server unità seriali per la conversione dei dati seriali (RS-232/422/485) in dati Ethernet (RJ45). Supporta i protocolli TCP e UDP. È possibile scaricare software di reindirizzamento COM Port e driver Windows. Comprende due connessioni RJ45 e quattro connessioni D-SUB a 9 poli.