PHOENIX CONTACT - PHC2903916 ELR H3-IES-PT- 24DC/500AC-2 RELE STATICO - 2903916

Accedi per visualizzare prezzi e disponibilità
Caratteristiche principali
Tensione nominale di comando Us DC - 19.2...30 V
Tipo di tensione per l'azionamento - DC
Grado di protezione (IP) - IP20
Confezione
1 PZ
EAN
4046356771399
Codice prodotto
PHC2903916
Cod. produttore
2903916
Produttore
PHC
Tensione nominale di comando Us DC:
19.2...30 V
Tipo di tensione per l'azionamento:
DC
Grado di protezione (IP):
IP20
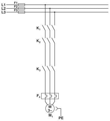
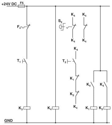
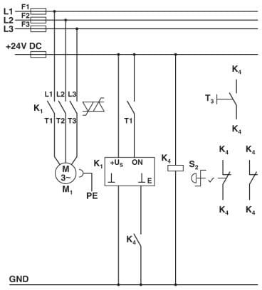
Risparmio di cablaggio. Risparmio di spazio. Lunga durata. Commutazione esente da usura.







