PHOENIX CONTACT - PHC2907160 TRIO-UPS-2G/1AC/24DC/5 MODULO PS + UPS - 2907160

Accedi per visualizzare prezzi e disponibilità
Confezione
1 PZ
EAN
4055626166575
Codice prodotto
PHC2907160
Cod. produttore
2907160
Produttore
PHC
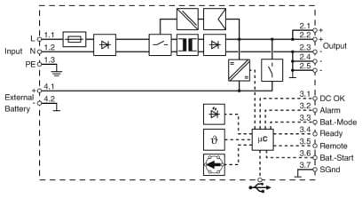
Compatto: il modulo UPS e la batteria riuniti in un'unica custodia. Tempi di buffer prolungati grazie all'ampia scelta di batterie VRLA. Interfaccia USB per il collegamento a controllori di livello superiore, come ad esempio i PC industriali. Avviamento da batteria possibile anche senza rete di ingresso. Possibilità d'impiego universali grazie alle varie omologazioni e al range di temperature esteso. Pratica installazione grazie alla tecnologia di connessione Push-in.



